- 商品描述
- 商品询价热度
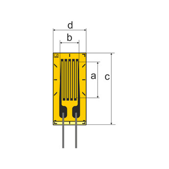
HBM XC1 0/90°T 型片镍铬合金应变片

HBM XC1 0/90°T 型片应变片参数
型号 | 额定电阻 | 尺寸[mm/inch] | 激励电压 | 接线端子
| 推荐类型 | |||
测量栅丝 | 基底 | |||||||
Ω | a | b | c | d | ||||
1-XC1x-1.5/350 | 350 | 1.5 | 1.5 0.059 | 6 0.236 | 8.4 0.331 | 6 | LS5 | - |
1-XC1x-3/350 | 350 | 3 | 3.3 0.13 | 10 0.394 | 10 0.394 | 10 | LS7 | 1 |
1-XC1x-6/350 | 350 | 6 | 6.4 0.252 | 16 0.63 | 18 0.709 | 20 | LS4 | - |


线上咨询

